yuqingjun604
发表于2007-1-5
1480人浏览
1人跟帖
等级:
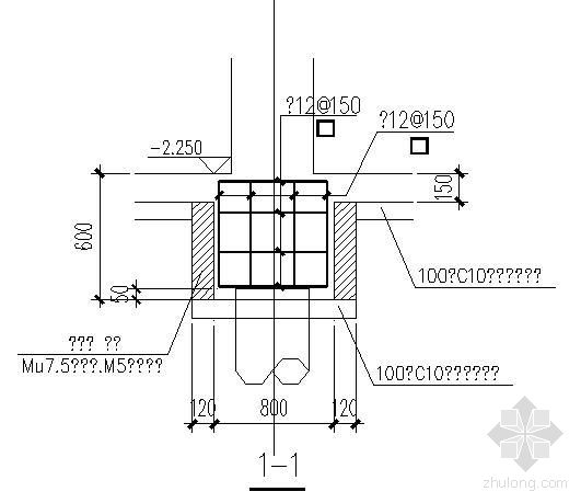
来自:混凝土节点详图 
ZD2006
发表于2006-8-15
7086人浏览
1人跟帖
等级:
来自:混凝土节点详图 