精灵蓝
发表于2011-2-16
901人浏览
1人跟帖
等级:
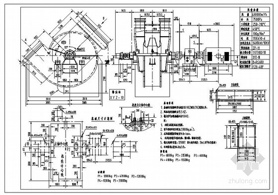
来自:混凝土节点详图 