思雨0308
发表于2011-5-19
1568人浏览
1人跟帖
等级:
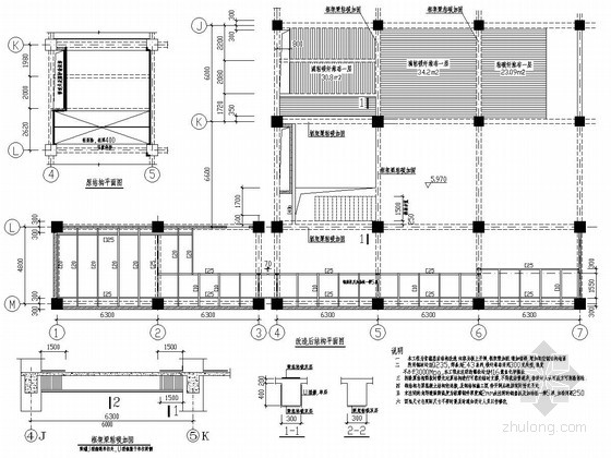
来自:混凝土节点详图 