精灵蓝
发表于2011-2-21
1216人浏览
1人跟帖
等级:
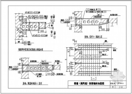
来自:混凝土节点详图 
精灵蓝
发表于2011-2-21
3437人浏览
1人跟帖
等级:
来自:混凝土节点详图 
精灵蓝
发表于2011-2-21
2888人浏览
1人跟帖
等级:
来自:混凝土节点详图 