四有老人
发表于2011-12-9
2619人浏览
2人跟帖
等级:
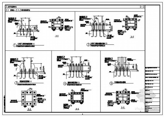
来自:钢结构节点详图 