Abeni
发表于2009-9-14
1972人浏览
1人跟帖
等级:
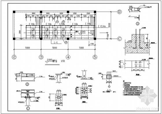
来自:钢结构节点详图 