电力工程施工图_电气工程图片
电力工程施工图无从下手?找不到相关资料参考学习?来这里海量资料任你下!快速晋升电气达人!
  • 89246成员
  • 2307主题
  • 3443回复
  • 0热度
  • 0周热度
  • 0月热度
  • 0总热度

了解更多

标签检索
火灾保护分级: 更多
楼控系统规模: 更多
地下室用途: 更多
防雷等级: 更多
高度类别: 更多
接地方式: 更多
负荷等级: 更多
安全防范: 更多
等      级:
更多

检索到2309条内容

0

zsh1234    发表于2005-5-10    2640人浏览  3人跟帖   等级:   来自:电力工程施工图  

金属管配线安装

0

catlan    发表于2005-5-10    2586人浏览  2人跟帖   等级:   来自:电力工程施工图  

10kV配套柜原理图,具有参考价值!

0

zsh1234    发表于2005-5-9    2319人浏览  2人跟帖   等级:   来自:电力工程施工图  

建筑物内配电工程

0

stylist    发表于2005-5-8    3778人浏览  3人跟帖   等级:   来自:电力工程施工图  

低压配电二次图-低压部分   分四部分分别上传

0

stylist    发表于2005-5-8    3685人浏览  3人跟帖   等级:   来自:电力工程施工图  

低压配电二次图-低压部分   分四部分分别上传

0

stylist    发表于2005-5-8    4517人浏览  3人跟帖   等级:   来自:电力工程施工图  

低压配电二次图-低压部分   分四部分分别上传

0

CIC_cic    发表于2005-5-8    2243人浏览  3人跟帖   等级:   来自:电力工程施工图  

低压系统图

0

CIC_cic    发表于2005-4-30    4423人浏览  3人跟帖   等级:   来自:电力工程施工图  

低压配电系统图(一)

0

stylist    发表于2005-4-30    3031人浏览  2人跟帖   等级:   来自:电力工程施工图  

低压配电系统

0

CIC_cic    发表于2005-4-30    3029人浏览  2人跟帖   等级:   来自:电力工程施工图  

低压配电系统图及平面

0

CIC_cic    发表于2005-4-30    2782人浏览  2人跟帖   等级:   来自:电力工程施工图  

低压配电系统图(二)

0

yuleray    发表于2005-4-29    3781人浏览  1人跟帖   等级:   来自:电力工程施工图  

10kV架空线工程通用图   分五部分分别上传

0

yuleray    发表于2005-4-29    3944人浏览  1人跟帖   等级:   来自:电力工程施工图  

10kV架空线工程通用图   分五部分分别上传

0

yuleray    发表于2005-4-29    4358人浏览  1人跟帖   等级:   来自:电力工程施工图  

10kV架空线工程通用图   分五部分分别上传

0

stylist    发表于2005-4-27    5064人浏览  2人跟帖   等级:   来自:电力工程施工图  

低压配电二次图-低压部分   分四部分分别上传

0

ldh1985    发表于2005-4-26    4543人浏览  1人跟帖   等级:   来自:电力工程施工图  

消防系统图

0

zsh1234    发表于2005-4-20    2579人浏览  2人跟帖   等级:   来自:电力工程施工图  

供配电系统和设备布置

0

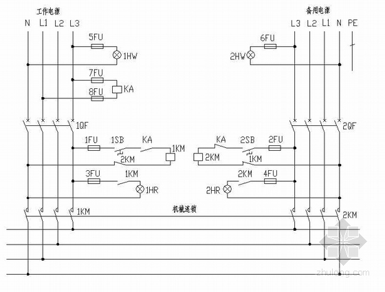
snakerzwj    发表于2005-4-19    2888人浏览  1人跟帖   等级:   来自:电力工程施工图  

中南标~1.rar   双电源自投部分

0

tctcjsjs    发表于2005-4-19    3009人浏览  2人跟帖   等级:   来自:电力工程施工图  

某公司开关柜进线,馈线,控制柜

0

snakerzwj    发表于2005-4-19    2146人浏览  2人跟帖   等级:   来自:电力工程施工图  

本图集为华南知名地产某系统图有一定参考价值。