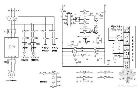
overstep
发表于2008-9-1
1946人浏览
1人跟帖
等级:
来自:电气节点详图 
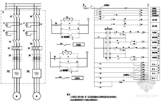
llqln
发表于2008-9-1
3039人浏览
1人跟帖
等级:
来自:电气节点详图 
overstep
发表于2008-8-29
25633人浏览
1人跟帖
等级:
来自:电气节点详图 