安拉的复仇
发表于2008-11-6
4929人浏览
1人跟帖
等级:
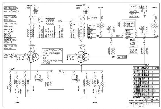
来自:电气节点详图 
安拉的复仇
发表于2008-11-6
2545人浏览
1人跟帖
等级:
来自:电气节点详图 
匿名
发表于2008-11-6
2268人浏览
1人跟帖
等级:
来自:电气节点详图 
zhiwei006
发表于2008-11-3
3932人浏览
1人跟帖
等级:
来自:电气节点详图 