匿名
发表于2012-5-18
4084人浏览
1人跟帖 等级:
来自:主体结构
三、现场平面的管理 为了搞好现场的文明施工,同时为施工创造有利的条件,通过以下措施加强现场平面管理: 1 施工平面由项目副经理负责,日常工作由各工长分片区包干管理,未经同意不得任意占用场地或改变场地用途,以...
最新回复:芒果1016 2012-5-18 
秋天的稻草人
发表于2012-5-18
1260人浏览
1人跟帖 等级:
来自:主体结构
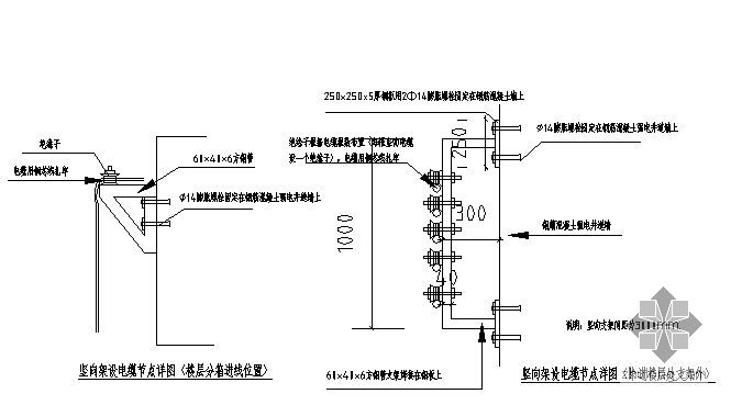
根据施工现场实际情况,北侧紧邻10kv线路,甲方已安装变电所作为施工现场总电源,380/220V电源由变电所引出。 第2章 施工现场负荷计算 第3章 现场临时供电方案的确定 3.1 供电系统的确定 根据施工现场实际情况...
最新回复:芒果1016 2012-5-18 
Gemito
发表于2012-5-18
3996人浏览
1人跟帖 等级:
来自:主体结构
本工程外架主要用于建筑物的外墙立面清洗及装饰和立面广告、店招牌、防盗网、空调外机和违章搭建物等拆除。本工程的外墙改造面积约81608㎡,施工总栋数约51栋。主要由一~九层约5~30m高的临街商住建筑组成。我司根据建筑主体结...
最新回复:芒果1016 2012-5-18 
xqh630813
发表于2007-3-7
1062人浏览
2人跟帖 等级:
来自:主体结构
本工程A#楼33层,最高处107.20m,B#楼20层,最高处74.50m,地下室二层。 1.局部脚手架直接落到地面。 2.有地下室顶板,脚手架压在顶板上,顶板下底板上用脚手架顶住。 3.纯工字钢悬挑:①用于一般墙面外及有梁的...
最新回复:zhoujunyao 2012-5-15 
jihy
发表于2012-5-15
2381人浏览
1人跟帖 等级:
来自:主体结构
地下室内外墙、附墙柱:根据九夹板的规格配制成大模板,但是根据墙的实际需要配制规格尺寸龙骨40×90 的方木外龙骨采用φ48×3.2双钢管,用φ12 的对拉螺栓。 主次梁:18 厚的九夹板,40×90 的木龙骨和φ48×3.2脚手架钢管...
最新回复:芒果1016 2012-5-15 
szwyw
发表于2012-5-15
979人浏览
1人跟帖 等级:
来自:主体结构
A塔楼核心筒筏板厚度4200mm,核心筒外侧筏板厚度3500mm,群房独立基础加防水底板,厚度800mm,其余周边筏板厚度为1200 mm。 B塔楼核心筒筏板厚度3300mm,核心筒外侧筏板厚度2800mm,群房独立基础加防水底板,厚度800mm,其...
最新回复:芒果1016 2012-5-15 
黑皮1986
发表于2011-4-6
1482人浏览
2人跟帖 等级:
来自:主体结构
三、塔吊基础的设计 (一)、总体安排 1、本工程的四号楼采用 40TM塔吊(大臂长度45米内)其余均采用63TM塔吊(大臂长度50~55米)。考虑地下室阶段搅拌站的材料吊装,其中5号楼和9号楼的塔吊大臂计划采用55米臂长。 ...
最新回复:lilai023 2012-5-14 
lidongchu
发表于2008-4-11
2759人浏览
2人跟帖 等级:
来自:主体结构
本塔吊基础为桩基础,由4根桩和承台组成,附有计算式和桩的设计图 一 、编制依据 二、工程概况 计划将塔吊基础放置在6号楼的北边,中线偏东位置,塔吊基础中心位置为:25轴线偏东7.55m,H轴线偏北4.00m。地堪报...
最新回复:lilai023 2012-5-14 
sanlu7474
发表于2009-3-12
1095人浏览
2人跟帖 等级:
来自:主体结构
占地2435.2M2,长轴98.3m,短轴23.7m,,地上十一层,建筑总高度36.8M,建筑面积21000m2。建筑结构形式为框架结构,建筑结构的抗震类别为丙类,抗震设防烈度为6度,合理使用年限50年,框架抗震等级四级。本工程基础采用独立承台...
最新回复:lilai023 2012-5-14 
yuanyuhai
发表于2007-11-1
15941人浏览
2人跟帖 等级:
来自:主体结构
一、 工程概况: 该工程为框架结构,基础形式为独立基础,总建筑面积为2202.37m2,建筑总高度为17.650m。 主要施工方法: 一、施工准备 (一)作业条件 1、办完验槽记录及地基验槽隐检手续。 2、办完基槽...
最新回复:lilai023 2012-5-14 
yjjzszj
发表于2008-6-19
3536人浏览
2人跟帖 等级:
来自:主体结构
**大酒店二期工程(1#、2#住宅楼、地下停车场)工程;属于框架剪力墙结构;地上18层;地下1层;建筑高度:61.50m;标准层层高:3.00m ;总建筑面积:25153.00平方米;总工期:400天; 三、设计内容和步骤 1、现场勘探...
最新回复:lilai023 2012-5-14 
xiewenjian2
发表于2009-5-7
6640人浏览
4人跟帖 等级:
来自:主体结构
属于框架结构;地上24层;地下1层;建筑高度:96.40m;标准层层高:3.70m ;总建筑面积:64000.00平方米 本工程施工用电单独设置变压器一台,并设置配电房一只 在施工现场分成11条干线配电,各干线配电见附图 ...
最新回复:lilai023 2012-5-14 
hm98268
发表于2012-5-14
1639人浏览
1人跟帖 等级:
来自:主体结构
本体育场属于一期工程,总建筑面积19787平方米,建筑占地面积15870平方米,建筑总高度33.6米。本工程东区及西区二层以上C轴与D轴之间的阶梯看台及梁为高支模,一层顶板标高为5.4米,高支模最高标高为18.1米,最低标高为14.12米,...
最新回复:芒果1016 2012-5-14 
caiguifei1
发表于2009-5-31
5965人浏览
3人跟帖 等级:
来自:主体结构
一、 脚手架形式的选择: 根据本工程实际情况脚手架的选择本着安全、经济、实用、搭拆方便的原则拟采用以下施工方案: 1. 地下室至二层顶板,采用落地式双排钢管式脚手架; 2. 1#楼、3#楼三层楼面至屋顶层采用工字...
最新回复:夏天的雷雨 2012-5-13 
苗加恒
发表于2008-2-13
2348人浏览
4人跟帖 等级:
来自:主体结构
1.工程简介 工程总建筑面积为118424 m2,其中地下16226.5 m2。地下车库±0.000绝对标高为1520.9m,16#楼±0.000对应绝对标高值为1528.60米;17#楼±0.000对应绝对标高为1528.30米;18#楼±0.000对应绝对标高为1528.90米;1...
最新回复:lxr1311 2012-5-11 
wuyunihao110
发表于2012-5-10
797人浏览
1人跟帖 等级:
来自:主体结构
本工程根据现场的实际情况,经过多种方案的比较,在满足施工要求的前提下,搭设方案确定为型钢悬挑扣件式钢管脚手架施工;主体施工期间分为地下室至二层采用落地式脚手架,三至七层、八至十二层、十三至十七层、十八至二十层四段...
最新回复:芒果1016 2012-5-10 
PKPMTVB
发表于2012-5-9
3587人浏览
1人跟帖 等级:
来自:主体结构
建筑结构形式为框支剪力墙结构,62#楼地上11层,63#64#楼地上30层,地下1层;建筑高度:62#楼41m,63#64#楼均为100.1m;标准层层高3m;总建筑面积63057.16m2 二、落地式双排扣件式钢管外脚手架施工方案 ㈠、搭拆方案:本...
最新回复:竹马225 2012-5-9 
丁猫盖楼
发表于2011-4-13
3661人浏览
2人跟帖 等级:
来自:主体结构
脚手架选型: 1、主楼地下部分脚手架 施工采用双排单管脚手架,高度8m。 2、主楼+0.00以上外侧脚手架 采用悬挑式扣件钢管脚手架,一层顶外侧有装饰架,钢梁二层、八层分两次悬挑。总高度45m。 3、主楼口字型...
最新回复:xygou 2012-5-8 
云呵1234
发表于2012-5-8
1187人浏览
1人跟帖 等级:
来自:主体结构
本工程为住宅高层板楼,地上28层,地下二层,标准层层高2.8m,建筑物高度79.7m,基础形式为筏板基础,地上结构形式为剪力墙结构。 …… 直螺纹连接:梁柱主筋及其余构件钢筋直径≥φ18钢筋 搭接绑扎:除梁柱主筋其余...
最新回复:芒果1016 2012-5-8 
匿名
发表于2012-4-28
1409人浏览
1人跟帖 等级:
来自:主体结构
工程包括11-7#楼至11-13#楼共7栋均11层无地下室,结构形式为剪力墙结构(墙体主材为陶粒混凝土空心砌块),建筑结构合理使用年限为50年。根据施工现场实际情况,北侧紧邻10kv线路,甲方已安装变电所作为施工现场总电源,380/220...
最新回复:芒果1016 2012-4-28 