匿名
发表于2018-11-20
1399人浏览
1人跟帖 等级:
来自:结构计算分析
钢结构计算题(焊接、螺栓连接、稳定性)主要内容:对接焊缝计算直角角焊缝计算三面围角焊缝计算普通螺栓连接计算摩擦型高强度螺栓连接计算整体稳定性及刚度计算 对接焊缝计算普通螺栓连接计算
最新回复:wangguijie0304 2018-11-20 
匿名
发表于2018-11-20
1808人浏览
1人跟帖 等级:
来自:结构计算分析
单个构件的承载力-稳定性验算例题(PDF,58页)主要内容:轴心受压柱的整体稳定性轴心受压格构式缀条柱稳定性验算缀条稳定性验算缀板刚度验算平台梁稳定性验算梁整体稳定性验算构件强度计算平面外稳定性验算腹板局部稳定验算缀板...
最新回复:wangguijie0304 2018-11-20 
匿名
发表于2018-11-20
859人浏览
1人跟帖 等级:
来自:结构计算分析
13个钢结构的连接计算习题(word,12页)主要内容:钢结构焊接连接计算钢结构螺栓连接计算共13道例题。螺栓连接计算
最新回复:wangguijie0304 2018-11-20 
匿名
发表于2018-11-20
975人浏览
1人跟帖 等级:
来自:结构计算分析
钢结构工字型梁计算(PPT,31页)主要内容:截面验算刚度验算强度验算整体稳定性验算局部稳定性验算局部压应力验算
最新回复:wangguijie0304 2018-11-20 
匿名
发表于2018-11-20
962人浏览
1人跟帖 等级:
来自:结构计算分析
工字型截面钢结构稳定性计算习题(word,11页)主要内容:截面稳定性计算正应力验算剪应力验算折算应力验算强度验算螺栓连接计算工字钢截面
最新回复:wangguijie0304 2018-11-20 
匿名
发表于2018-11-20
1023人浏览
1人跟帖 等级:
来自:结构计算分析
单层厂房计算题(PPT,20页)主要内容:题型 1-1:排架分析(弯矩) 题型 1-2:排架分析(剪力)题型 2-1:牛腿设计(截面) 题型 2-2:牛腿设计(配筋) 题型 3-1:基础设计(地基) 题型 3-2:基础设计(冲切) 题型 3-3:基础...
最新回复:wangguijie0304 2018-11-20 
匿名
发表于2018-11-20
2032人浏览
1人跟帖 等级:
来自:结构计算分析
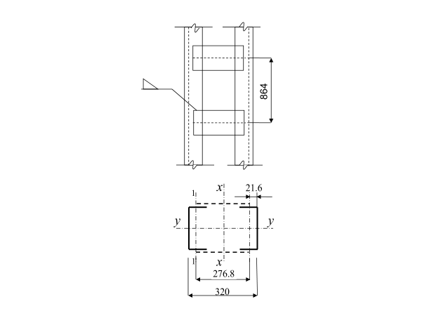
钢结构截面计算习题集(word,8页)例题1.一跨度为12 m的工作平台简支梁,截面如图5-2所示,承受均布永久荷载(含自重)q1=20 kN/m, 各种可变荷载共q2=35 kN/m,材料Q235,安全等级为二级,试验算该梁的强度、刚度和整体稳定性...
最新回复:wangguijie0304 2018-11-20 
匿名
发表于2018-11-20
953人浏览
1人跟帖 等级:
来自:结构计算分析
钢结构稳定性计算例题(word,8页)主要内容:工字型简支梁整体稳定性验算工字型支柱稳定性验算工字型截面强度、刚度计算工字型简支梁整体稳定性验算工字型截面强度、刚度计算
最新回复:wangguijie0304 2018-11-20 
匿名
发表于2018-11-20
1313人浏览
1人跟帖 等级:
来自:结构计算分析
钢结构设计原理的计算题题库(word,32页)部分例题如下:1.试验算图中所示柱牛腿中钢板与柱翼缘节点的连接焊缝的强度(说明验算点)。图中荷载为静力荷载设计值。钢材为Q235-A•F。手工焊,焊条E43型。ffw=160N/mm2,ftw=185N/...
最新回复:wangguijie0304 2018-11-20 
匿名
发表于2018-11-20
1623人浏览
1人跟帖 等级:
来自:结构计算分析
钢结构螺栓连接计算例题(PPT,61页)主要内容:焊接连接的构造和计算角焊缝的基本计算公式及几种受力状态下的角焊缝计算普通螺栓连接的构造和计算单个螺栓承载能力计算:剪切、挤压螺栓群承载能力计算:剪切、受拉、复杂应力 高...
最新回复:wangguijie0304 2018-11-20 
匿名
发表于2018-10-8
2076人浏览
2人跟帖 等级:
来自:结构计算分析
sap2000钢结构廊架计算书主要内容:一、设计依据二、计算简图三、荷载计算四、荷载组合五、构件计算分析六、支座节点计算“圆钢管柱外露刚接”节点计算书采用sap2000 v15.1.1软件进行计算节点前视图阶梯基础计算
最新回复:lingeaster 2018-11-13 
匿名
发表于2018-9-26
2401人浏览
3人跟帖 等级:
来自:结构计算分析
32m门式钢架厂房计算书目录:工程概况结构选型与结构布置荷载取值及荷载组合内力计算截面计算连接节点设计隅撑设计与计算工程概况某单层厂房采用单跨双坡轻型门式刚架,钢架跨度为32m,高度为6.5m,共11榀钢架,柱距6m,屋面坡度...
最新回复:厚德载物007008 2018-11-7 
匿名
发表于2018-10-29
1198人浏览
1人跟帖 等级:
来自:结构计算分析
[山东]单层双跨重型钢结构厂房设计计算书目录:一.建筑设计说明二.结构构件选型及布置三.吊车梁设计四.冷弯薄壁型钢檩条设计输出文件五.屋面支撑斜杆设计输出文件六.结构设计计算书七.厂房框排架内力计算结果输出设计资料...
最新回复:wangguijie0304 2018-10-29 
非本人123
发表于2018-10-25
1206人浏览
1人跟帖 等级:
来自:结构计算分析
钢结构深化设计方案目录4.1深化设计总体思路及组织管理体系4.2深化设计依据4.3深化设计协调配合方案4.4分段方案设计4.5详图设计方案4.6深化设计管理4.7类似工程经验Xsteel定位轴线建立深化设计流程设计变更流程
最新回复:wangguijie0304 2018-10-25 
非本人123
发表于2018-10-25
931人浏览
1人跟帖 等级:
来自:结构计算分析
钢结构深化设计技术方案目录:1、工程概况2、钢结构深化设计软件3、深化设计流程4、深化设计图纸包括两部分:5、深化设计进度计划6、深化设计质量保证措施工程概况本工程结构体系为钢结构和钢筋混凝土的复合结构体系。钢结构部分...
最新回复:wangguijie0304 2018-10-25 
匿名
发表于2018-10-25
1189人浏览
1人跟帖 等级:
来自:结构计算分析
北京中国国际贸易中心钢结构深化设计目录:1. 前言2. 概述3.压型钢板板型及材质选择4.组合楼板的耐火设计分析5.铺板方式及施工6.钢结构与其它专业深化设计之间的配合7. 结语工程概况北京中国国际贸易中心三期工程高 330m,钢...
最新回复:wangguijie0304 2018-10-25 
匿名
发表于2018-10-22
6910人浏览
1人跟帖 等级:
来自:结构计算分析
彩钢棚棚架钢结构计算书目录:一、设计概况二、荷载计算三、结构验算四、结论工程概况本厂房为钢筋加工厂,该厂房为单层,其中单跨为双坡弧度门式刚架,刚架跨度26m,长70m,檐高11m;柱距有5m及6m两种,梁拱高为1.7m,上下弧度...
最新回复:wangguijie0304 2018-10-22 
匿名
发表于2018-10-8
1221人浏览
1人跟帖 等级:
来自:结构计算分析
普通钢桁架设计例题主要内容:设计资料结构形式与布置荷载计算内力计算设计资料某车间跨度为 30m,柱距为 6m, 厂房总长度为 90m。车间内设有一台 50t、一台 20t 中级工作制软钩桥式吊车,吊车轨顶标高为+9.000m。冬季最低温度为-...
最新回复:wangguijie0304 2018-10-8 
匿名
发表于2018-9-25
1613人浏览
1人跟帖 等级:
来自:结构计算分析
管桁架结构的设计要点近年来,随着我国钢铁产量的不断增长,钢结构以其自身的优势,在建筑中所占的比例越来越大,钢管结构也取得较大的突破。钢管结构的最大优点是能将人们对建筑物的功能要求、感观要求以及经济效益要求完美地结...
最新回复:wangguijie0304 2018-9-25 
匿名
发表于2018-9-24
2276人浏览
1人跟帖 等级:
来自:结构计算分析
压型钢板组合楼板计算与构造目录:1.定义2.组合楼板的优点3.组合楼板的发展4 常用的压型钢板的截面形式组合楼板的材料及受力特性分析组合楼板的设计组合楼板的优点1) 压型钢板可作为浇灌混凝土的模板,节省了大量木模板及支撑...
最新回复:筑吴建龙 2018-9-24 