沼泽地
发表于2012-6-18
1123人浏览
1人跟帖
等级:
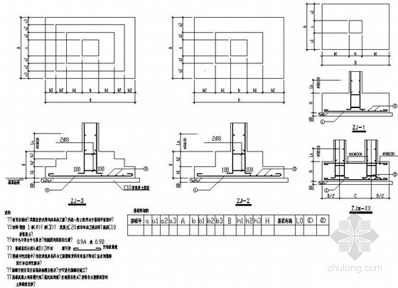
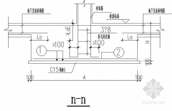
来自:混凝土节点详图 
匿名
发表于2012-6-18
1103人浏览
1人跟帖
等级:
来自:混凝土节点详图 
jfal520
发表于2012-6-12
1545人浏览
1人跟帖
等级:
来自:混凝土节点详图 
匿名
发表于2012-6-7
819人浏览
1人跟帖
等级:
来自:混凝土节点详图 