eastfang
发表于2009-4-10
1035人浏览
1人跟帖
等级:
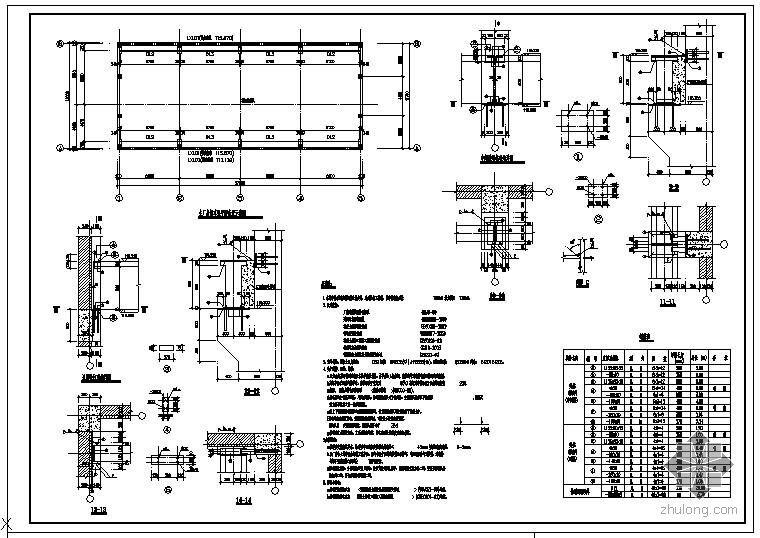
来自:钢结构节点详图 