alan812
发表于2011-12-23
3297人浏览
3人跟帖 等级:
来自:园林景观节点详图
图纸包括: 平面图、立面图、剖面图、节点放大断面大样。 1个CAD文件。
最新回复:xing23302457 2018-3-22 
yrcat
发表于2012-7-31
7908人浏览
6人跟帖 等级:
来自:园林景观节点详图
图纸包括: 平面图、立面图、剖面图、节点大样图、铁花大样图。 1个CAD文件。
最新回复:xing23302457 2018-3-22 
firy0927!
发表于2012-11-7
4662人浏览
2人跟帖 等级:
来自:园林景观节点详图
小区大门入口区域节点详图,包括入口定位图、索引图、大门立面图、剖面图、节点详图、地面铺装等,共一个CAD文件。
最新回复:xing23302457 2018-3-22 
匿名
发表于2008-7-8
3430人浏览
4人跟帖 等级:
来自:园林景观节点详图
41种围墙详图: 包含各类型的围墙围栏的平面图、立面图、节点详图。
最新回复:1240067282 2018-3-11 
liujianpeng
发表于2005-11-11
7041人浏览
5人跟帖 等级:
来自:园林景观节点详图
某学校大门的施工图,包括总平、标准层平面、立面及节点大样。
最新回复:15953779785 2018-1-16 
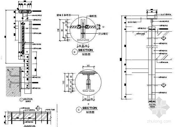
谢金球
发表于2008-1-23
14432人浏览
5人跟帖 等级:
来自:园林景观节点详图
玻璃、钢管栏杆主要用于木平台,景观桥,瀑布景视口等位置。本图是本人设计的其中一种景观图集供同仁们设计时参考。共包括9个节点图。
最新回复:snyerabbs 2017-9-25 