flyegg111
发表于2011-4-15
1242人浏览
1人跟帖
等级:
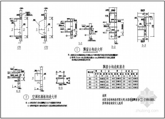
来自:混凝土节点详图 
宁静一夏
发表于2011-4-15
1338人浏览
1人跟帖
等级:
来自:混凝土节点详图 