ZD2006
发表于2009-4-28
1565人浏览
1人跟帖
等级:
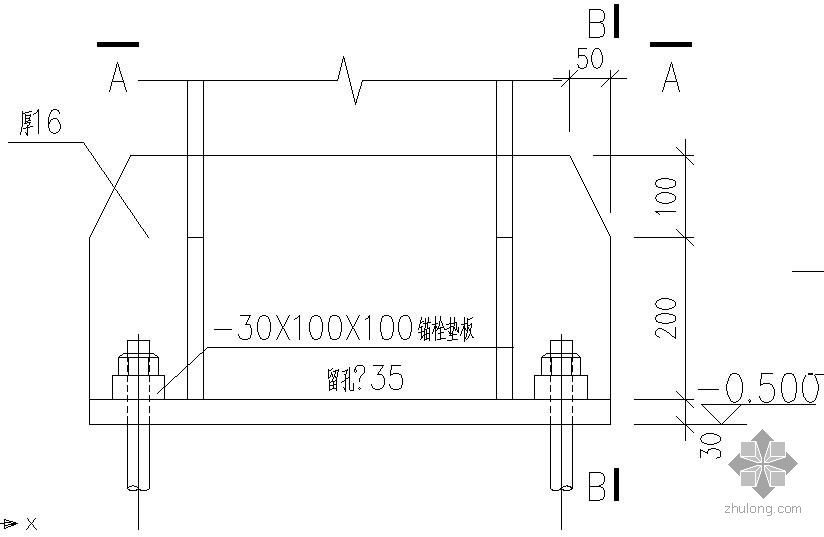
来自:钢结构节点详图 
ZD2006
发表于2009-4-28
1117人浏览
1人跟帖
等级:
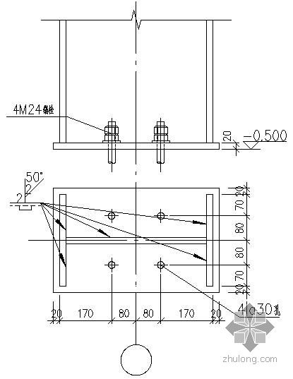
来自:钢结构节点详图 