flyegg111
发表于2011-9-14
2215人浏览
1人跟帖
等级:
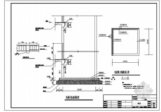
来自:混凝土节点详图 
yanzihu2008
发表于2011-9-14
1689人浏览
1人跟帖
等级:
来自:混凝土节点详图 