钢结构节点详图_结构设计图片
本小组汇集刚架、网架、桁架等钢结构节点详图。需要的龙友可以进行下载,也可以上传钢结构详图的相关资料,与建筑人一起分享!
  • 86616成员
  • 2575主题
  • 2901回复
  • 0热度
  • 0周热度
  • 0月热度
  • 0总热度

了解更多

检索到163条内容

0

zjleopard    发表于2012-7-26    1280人浏览  1人跟帖   等级:   来自:钢结构节点详图  

图纸为水塔预埋件详图,共2张可供参考。

0

匿名    发表于2012-6-21    2246人浏览  1人跟帖   等级:   来自:钢结构节点详图  

共一个节点,两个详图。

0

打工的    发表于2012-6-18    1065人浏览  1人跟帖   等级:   来自:钢结构节点详图  

共两个节点4个详图   

0

匿名    发表于2012-6-11    5034人浏览  1人跟帖   等级:   来自:钢结构节点详图  

钢柱柱脚构造详图、钢柱柱脚一览表共1张图纸。

0

匿名    发表于2012-6-4    2100人浏览  1人跟帖   等级:   来自:钢结构节点详图  

共两个节点。   

0

匿名    发表于2012-6-4    2724人浏览  1人跟帖   等级:   来自:钢结构节点详图  

共4个节点。

0

df3    发表于2012-6-4    1802人浏览  1人跟帖   等级:   来自:钢结构节点详图  

共5个节点。   

0

匿名    发表于2012-5-31    1293人浏览  1人跟帖   等级:   来自:钢结构节点详图  

共18个预埋件节点   

0

12334    发表于2012-3-20    3555人浏览  1人跟帖   等级:   来自:钢结构节点详图  

柱底板详图、柱脚详图共1张图纸。

0

flyegg111    发表于2012-2-10    1769人浏览  1人跟帖   等级:   来自:钢结构节点详图  

共1张图纸。   

0

flyegg111    发表于2011-11-30    2163人浏览  1人跟帖   等级:   来自:钢结构节点详图  

共两张图纸。   

0

flyegg111    发表于2011-11-7    1006人浏览  1人跟帖   等级:   来自:钢结构节点详图  

共两张图纸。   

0

yanhuacanlan    发表于2011-11-4    1866人浏览  1人跟帖   等级:   来自:钢结构节点详图  

某预埋件节点图   共1张图纸。

0

flyegg111    发表于2011-8-26    1974人浏览  1人跟帖   等级:   来自:钢结构节点详图  

共1张图纸。   

0

宁静一夏    发表于2011-5-16    1512人浏览  1人跟帖   等级:   来自:钢结构节点详图  

某厂房预埋件构造详图   共1张图纸。

0

宁静一夏    发表于2011-4-21    1883人浏览  1人跟帖   等级:   来自:钢结构节点详图  

预埋件构造详图   共1张图纸。

0

宁静一夏    发表于2011-2-11    1364人浏览  1人跟帖   等级:   来自:钢结构节点详图  

预埋件节点详图   共1张图纸。

0

coco321    发表于2010-5-21    1423人浏览  1人跟帖   等级:   来自:钢结构节点详图  

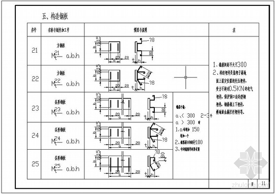
某构造钢板预埋件节点构造详图   共1张图纸。   

0

8643466    发表于2010-5-21    1594人浏览  1人跟帖   等级:   来自:钢结构节点详图  

某拉筋及钢管预埋件节点构造详图   共1张图纸。   

0

fly0405    发表于2010-5-20    1742人浏览  1人跟帖   等级:   来自:钢结构节点详图  

某泵站出水池节点详图   共1张图纸。