钢结构节点详图_结构设计图片
本小组汇集刚架、网架、桁架等钢结构节点详图。需要的龙友可以进行下载,也可以上传钢结构详图的相关资料,与建筑人一起分享!
  • 86616成员
  • 2575主题
  • 2901回复
  • 0热度
  • 0周热度
  • 0月热度
  • 0总热度

了解更多

检索到163条内容

0

ZD2006    发表于2009-5-11    1685人浏览  1人跟帖   等级:   来自:钢结构节点详图  

某檐口架空引入线拉紧装置埋设件节点构造详图,共1个节点

0

ZD2006    发表于2009-5-11    1852人浏览  1人跟帖   等级:   来自:钢结构节点详图  

预埋件查询表(一.钢板部分 二.扁钢部分 三.角钢部分)

0

wangjunming    发表于2009-5-11    1709人浏览  1人跟帖   等级:   来自:钢结构节点详图  

某预埋件结构节点构造详图,共1张图纸

0

wangjunming    发表于2009-5-11    3023人浏览  1人跟帖   等级:   来自:钢结构节点详图  

某预制桩与承台锚拉及接桩节点构造详图,共1张图纸

0

ZD2006    发表于2009-5-11    2191人浏览  1人跟帖   等级:   来自:钢结构节点详图  

某板缝预埋吊环大样节点构造详图,共1个节点

0

ZD2006    发表于2009-5-11    2059人浏览  1人跟帖   等级:   来自:钢结构节点详图  

某板缝预埋吊筋大样节点构造详图,共1个节点

0

ZD2006    发表于2009-5-11    3762人浏览  1人跟帖   等级:   来自:钢结构节点详图  

某地脚螺栓示意节点构造详图,共1个节点

0

ZD2006    发表于2009-5-11    1568人浏览  1人跟帖   等级:   来自:钢结构节点详图  

某吊车梁预埋铁节点构造详图(1),共1个节点

0

ZD2006    发表于2009-5-11    1731人浏览  1人跟帖   等级:   来自:钢结构节点详图  

某吊车梁预埋铁节点构造详图(2),共1个节点

0

ZD2006    发表于2009-5-11    1260人浏览  1人跟帖   等级:   来自:钢结构节点详图  

某防雷预埋铁节点构造详图(1),共1个节点

0

ZD2006    发表于2009-5-11    1169人浏览  1人跟帖   等级:   来自:钢结构节点详图  

某防雷预埋铁节点构造详图(2),共1个节点

0

ZD2006    发表于2009-5-11    1221人浏览  1人跟帖   等级:   来自:钢结构节点详图  

某防撞构件预埋件节点构造详图,共1个节点

0

ZD2006    发表于2009-5-11    1303人浏览  1人跟帖   等级:   来自:钢结构节点详图  

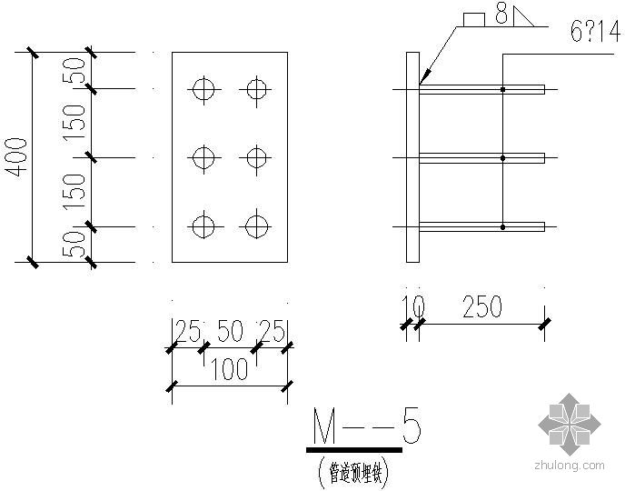
某管道预埋铁节点构造详图(1),共1个节点

0

ZD2006    发表于2009-5-11    1151人浏览  1人跟帖   等级:   来自:钢结构节点详图  

某管道预埋铁节点构造详图(2),共1个节点

0

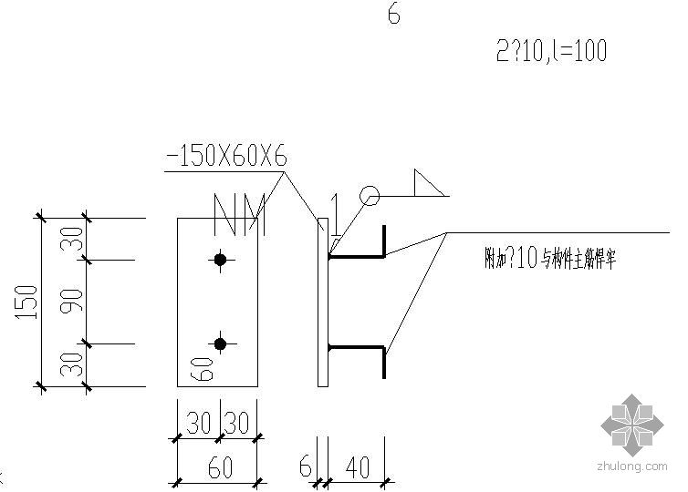
ZD2006    发表于2009-5-11    1237人浏览  1人跟帖   等级:   来自:钢结构节点详图  

某锚栓节点构造详图(1),共1个节点

0

ZD2006    发表于2009-5-11    1800人浏览  1人跟帖   等级:   来自:钢结构节点详图  

某200X300预埋铁节点构造详图,共1个节点

0

ZD2006    发表于2009-5-11    1663人浏览  1人跟帖   等级:   来自:钢结构节点详图  

某2700x150预埋铁节点构造详图,共1个节点

0

ZD2006    发表于2009-5-11    2055人浏览  1人跟帖   等级:   来自:钢结构节点详图  

某120X120预埋铁节点构造详图,共1个节点

0

ZD2006    发表于2009-5-11    1910人浏览  1人跟帖   等级:   来自:钢结构节点详图  

某200X200预埋铁节点构造详图,共1个节点

0

ZD2006    发表于2009-4-27    1464人浏览  1人跟帖   等级:   来自:钢结构节点详图  

某预埋件节点构造详图,共2个节点