八角
发表于2011-1-25
1384人浏览
1人跟帖
等级:
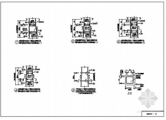
来自:混凝土节点详图 