yanhuacanlan
发表于2011-11-7
2163人浏览
1人跟帖
等级:
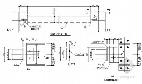
来自:混凝土节点详图 