四有老人
发表于2011-10-31
6504人浏览
1人跟帖
等级:
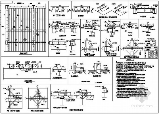
来自:混凝土节点详图 