lylcsq
发表于2011-11-1
1488人浏览
1人跟帖
等级:
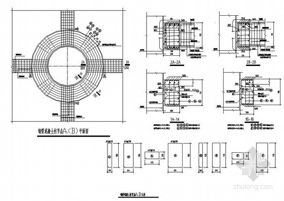
来自:混凝土节点详图 
lylcsq
发表于2011-11-1
5662人浏览
1人跟帖
等级:
来自:混凝土节点详图 
yanhuacanlan
发表于2011-10-31
2351人浏览
1人跟帖
等级:
来自:混凝土节点详图 